-
韩东齿式气动离合器HTP-20
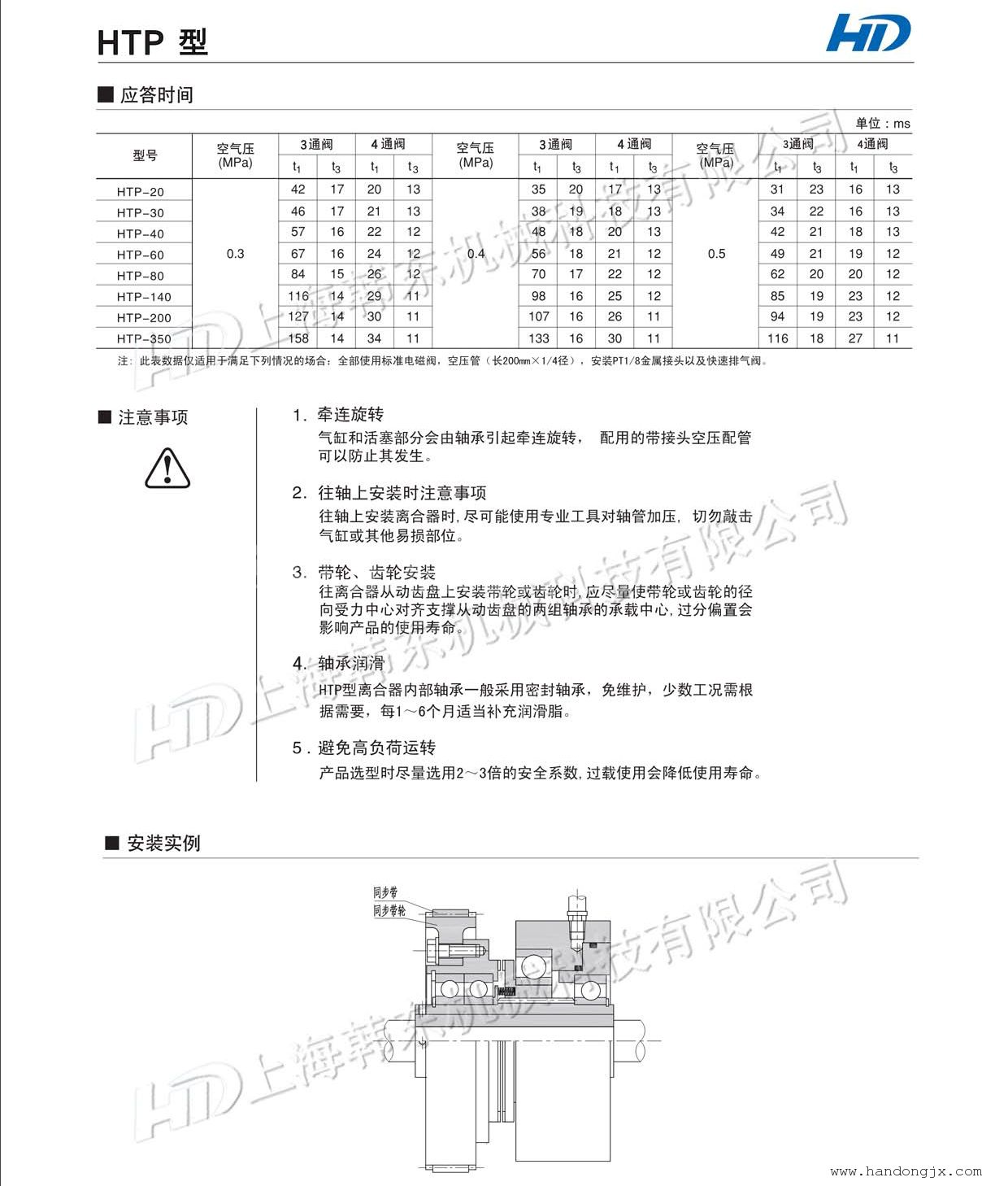
详细信息| 询价留言品牌:HD 型号:HTP-20/HTP-30/HTP-40/HTP-60/HT 材料:铸铁 规格:国标 扭矩:200 适用范围:100-3000 重量:12 转速:1000 适用范围:100-3000 技术参数:
品 名:气动齿式离合器HTP系列
型 号:HTP
重 量:8—30(kg)
外形尺寸:125x125x95(mm)
气 压:0.1bar-6bar
制动扭矩:10—100000N.M
常备型号:HTP-20/HTP-30/HTP-40/HTP-60/HTP-80/HTP-150/HTP-200/HTP-350
产品根据客户实际工况确定型号
气动齿式离合器HTP特长:
1,高转矩,不滑落: 因由齿轮的咬合来传达转矩,尽管小型,却无滑落
2,传达的转矩基本为一定值: 因不受安装误差的影响,传达的扭矩和旋转数无关,基本为一定值。
3,组装简单:因为是一体化构造,安装时,不需要调齐齿芯。
4,优越的应答性能:因连接和放开,均在瞬间动作,齿轮的飞转也并无损伤,寿命长。
5,可能高速连接:因是气压作动,所以和电磁式比较,可以实现高速旋转时的连结。
详细参数(尺寸图):
-
-
产品搜索
留 言
- 联系人:宋经理
- 电 话:152-0180-5440
- 手 机:15201805440
- 传 真:021-57636570
- 邮 箱:songyulu@sh-handong.com
- 邮 编:201615
- 地 址:上海松江区伴亭路488号
- 网 址: https://shzqwm2016.cn.goepe.com/
http://www.handongjx.com









